PARKER: 螺紋插裝閥新產品和新應用的展示2-1
2021-05-14 09:43:14
近年來,螺紋插裝閥及集成閥組在中國市場迎來爆發式增長,在工程車輛、高空作業車、物料搬運等領域更是呈指數級增長,且該態勢被眾多行業大咖認為至少將持續8~10年。由于螺紋插裝閥結構相對復雜,零部件小而多,對加工工藝要求高,熱處理、精加工等難度較大等多個因素影響,國內螺紋插裝閥仍以國際進口品牌為主。

派克漢尼汾旗下的螺紋插裝閥歷史悠久,匯集Fluid Power、Sterling、Waterman等眾多知名品牌,工程底蘊深厚,技術專利多,產品廣泛應用于工程車輛、市政設備、海洋船舶、工業制造、再生能源等行業和領域。
憑借先進的創新理念,優異的產品性能,持續優化的產品設計和嚴苛的質量管控,派克漢尼汾旗下的螺紋插裝閥多年來一直傲視群雄。
一、
FAPC自重下降閥
派克漢尼汾旗下的電比例臂架和平臺下降閥FAPC可在發動機失效或不提供動力的情況下,實現高空作業平臺以及臂架的無動力下降。FAPC自重下降閥不僅節能,還可以減少柴油機(電動機)的操作時間,是一款適用于高空作業平臺車和物料搬運設備(電動叉車)的安全、節能型液壓元件。

與采用傳統平衡閥、方向或者流量控制主閥的解決方案相比,
-
FAPC自重下降閥方案在平臺、貨叉或者臂架舉升時,可以打開單向閥、主閥或者電機調速驅動定量泵控制進油;
-
下降時,流量則由帶零泄漏內置壓力補償閥的2位2通電比例座閥控制,這種解決方案既顯著降低能耗,又簡化了液壓回路設計。
此外,自重下降電比例閥可直接安裝在油缸上,既簡化安裝、減輕重量,又節省空間和成本,FAPC結構圖和外形見下:
通過2位2通座閥的電比例閥配上壓力補償器,也能實現不受負載大小影響的調速閥,但這個方案存在潛在問題。請看下圖:
從上圖可以看出,通過1個帶“滑閥結構”的壓力補償閥,2位2通電比例座閥可獲得不受外部負載影響的調速性能,但由于壓力補償閥的滑閥結構會不可避免產生內泄漏,破壞2位2通座閥零泄漏的特性,這使該設計回路喪失了優良的負載保持功能。且隨著時間推移,如果工作環境炎熱,油液溫度高,油液黏度下降會使液壓油變稀,內泄漏越發明顯,平臺和臂架則會隨著時間推移緩慢下沉,執行機構內部容易形成真空,再次動作時會引發氣蝕,損壞其他液壓元件(齒輪泵)。
一家著名的物料搬運設備OEM已經發現這個潛在問題,并在過去的幾年里持續對此進行優化設計,但苦于沒有合適的液壓元件供選用,直到遇見FAPC,下列圖片展示了客戶這些年來的設計優化歷程:
- 初期2014
(無壓力補償功能,調速性差,阻尼孔大小限速)
-中期2018
(初步破解泄漏問題,零部件增多,與此同時,閥組體積,重量和成本增加)
-最新2021
(FAPC,內置零泄漏壓力補償閥,即實現“零泄漏”負載保持,又實現下降速度不受外部負載影響)
二、
工程機械設備用蓄能器充液與制動控制 RU104
對于工程機械設備而言,蓄能器充液與制動系統是非常重要且必不可少的子系統,為工程機械設備日常行走和工作的安全性及可靠性提供堅實保障。
在常規的制動充液回路中,當蓄能器充液達到事先設定的壓力值后,卸荷元件便開啟卸荷閥,系統開始卸荷。當壓力低于設定值80%左右時,卸荷元件關閉,系統重新建壓,并再次給蓄能器充液,以此循環往復。從卸荷閥卸荷開啟到再次建壓,卸荷閥始終處于開啟狀態,能量損失不間斷。
RU104
派克漢尼汾隆重推出與世界頂級工程機械OEM聯合開發的“卸荷順序閥” RU104,讓派克漢尼汾成為該領域為數不多的擁有該項技術的TOP2供應商之一,該產品的最大特點為:卸荷時,RU104切斷信號支路,卸荷信號支路不再有油液在高壓下流回油箱,將這部分能量損失徹底杜絕,僅此一項,整機一年的節能便可達10%左右。
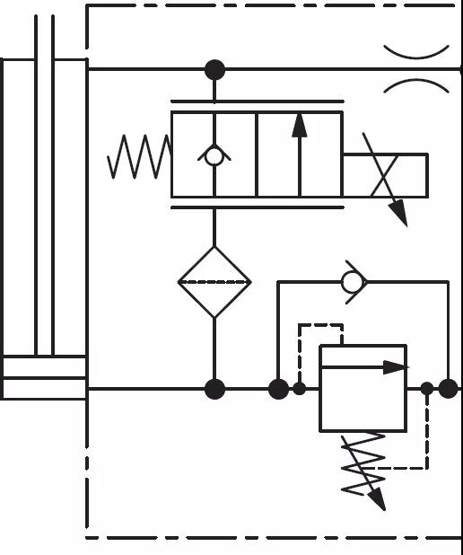
目前,一家著名的工程機械OEM在其全系列裝載機上便采用了這款卸荷順序閥。其工作原理和外形見下圖:
我們還會推出螺紋插裝閥的另外三個典型應用,敬請關注。
